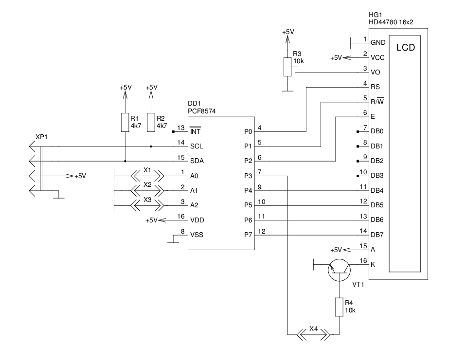
Driver for HD44780 LCDs connected directly to GPIO / to I2C by PCF8574-like GPIO expanders (#246)
14 KiB
956x713px
14 KiB
956x713px

Driver for HD44780 LCDs connected directly to GPIO / to I2C by PCF8574-like GPIO expanders (#246)